Tugas 10. Rangukuman Materi Rangkaian Resgister
Register
Register adalah rangkaian logika yang digunakan untuk menyimpan data. Register disusun dari beberapa flipflop yang digabungkan menjadi satu. Flipflop juga disebut sebagai register 1 bit. jadi untuk menyimpan 4 bit data, register harus terdiri dari 4 buah flipflop.
Register digunakan sebagai penyimpanan sementara sebuah grup bit data. bit-bit data yang sedang dijalankan di dalam sebuah sistem digital, kadang - kadang perlu dihentikan, dicopy, dipindahkan, atau digeser.
Shift Register akan mengeluarkan atau menerima data dengan cara pergeseran, yaitu menggeser satu bit untuk setiap satu periode clock yang diberikan.
4 Macam Shift Register
- PIPO
- PISO
- SISO
- SIPO
1. Parallel In Parallel Out (PIPO)
A, B, C, dan D adalah sinyal masukan. saat clock diaktifkan, maka data yang ada akan dikeluarkan secara bersama - sama ke Q3, Q2, Q1, dan Q0. saat clock kembali tidak dipicu, maka apapun masukannya, keluaran Q akan tetap.
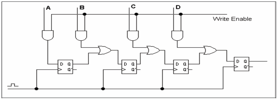
2. Parallel In - Serial Out (PISO)
- sebuah grup terdiri dari 4 flipflop. langkah pertama adalah membebani register dengan 1-0-0-0. "Paralel Load" berarti membebani ke-empat flipflop dalam waktu yang bersamaan.
- selanjutnya, clock pertama menyebabkan seluruh bit menggese suatu posisi ke kanan, akrena input dari masing masing flipflop mendapatkan output dari flip-flop sebelumnya.
- setiap penekanan clock menyebabkan penggeseran satu posisi ke kanan. pada pulsa ke empat, seluruh bit sudah tergeser ke peralatan penerima data serial, sesuai dengan data awal yang diberikan. koneksi antara ke-empat flipflop di atas bisa berupa kabel transmisi serial (serial data, clock, dan groud)
3. Serial In Serial Out (SISO)
- saat sinyal clock diberikan pertama kali, data dari Si masuk ke flipflop A, pada saat clock kedua, data dari flipflop A masuk ke flipflop B, demikian seterusnya, sampai keluar So .
- jadi pada register SISO untuk membaca data pertama kali dibutuhkan jumlah clock yang sama banyak dengan jumlah flipflop yang ada pada register (dalam hal ini adalah empat).
4. Serial In Parallel Out (SIPO)
sumber : https://onlinelearning.uhamka.ac.id/








Comments
Post a Comment